
300 Series // Spring Driven Specialty Reels

-
Features
-
Applications
-
Videos
Features
COXREELS® 300 Series "Exhaust" spring driven reels are there to provide ventilation where necessary. This heavy duty frame was built to provide strength, stability and durability. The 300 Series reels have features found on many of our reels like spun discs, welded steel frame and enclose cartridge motor. These reels also feature an easy access panel to have access to the main drum with internal ducting included, making it ready to go.
Model Shown: 319-424. Please refer to Overall Dimensions for the different reel sizes available.
Design & Structure

- Reel features an all welded steel frame, no bolts, for strength & durability.
- Drum mounted hose guide.
- Exhaust hose reel designed to enable the extraction of exhaust fumes directly from the source of their emission & maintain safer shop air quality.
- For floor, wall & overhead mounting applications.
- Easy access panel to the drum for convenient routine maintenance.
- Hose guide rail.
- Internal ducting is included
Retract

- Enclosed factory tuned & matched cartridge-style spring motor.
- Cast iron lock ring with non-sparking bronze pawl.
- Multi-position lock ratchet mechanism secures hose at desired length.
Signature Features

- Professional grade heavy duty steel construction.
- Rolled edges & ribbed discs provide strength & safety.
- Leading 2-year manufacturer's limited warranty.
- Made in the U.S.A. - Sold & Supported Worldwide.
- EXHAUST DUCTWORK - Fits 4-6" exhaust ductwork on all models so ductwork does not need to be fitted per reel.
- STEEL FRAME - All welded steel frame, no bolts, for strength, durability, stability and to prevent tip-overs.
- CARTRIDGE MOTOR - Lubricated and enclosed cartridge-style motor is easily removable for safe and convenient maintenance. Precision coil spring factory tuned and matched to application for longest life cycle and performance.
- CNC SPUN DISCS - Heavy duty CNC robotically spun and ribbed discs with rolled edges for greater strength, durability, hose protection and operator safety.
- ACCESS PANEL - Easy access panel to the drum for convenient routine maintenance.
- OTHER FEATURES INCLUDE - long lasting, chip resistant and rust inhibiting CPC powder coat finish, hose guide rail, and internal ducting.
View Models
Models
- Other


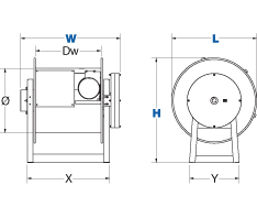
| Model | I.D | Hose | Length | Ship Weight (lbs) | Overall Dimensions (W) (H) (L) | Mounting Pattern (M) (N) | Base (X) (Y) | CAD Downloads | |
| 319-424 | 4" | No | 24' | 103 | 28.25"(W) 29.5"(H) 24"(L) | 21.19"(M) 10"(N) | 23.25"(X) 14"(Y) | CAD File | |
| 319-520 | 5" | No | 20' | 103 | 28.25"(W) 29.5"(H) 24"(L) | 21.19"(M) 10"(N) | 23.25"(X) 14"(Y) | Request CAD File | |
| 319-620 | 6" | No | 20' | 105 | 28.25"(W) 29.5"(H) 24"(L) | 21.19"(M) 10"(N) | 23.25"(X) 14"(Y) | Request CAD File | |
| 328-440 | 4" | No | 40' | 115 | 37.25"(W) 29.5"(H) 24"(L) | 30.19"(M) 10"(N) | 32.25"(X) 14"(Y) | Request CAD File | |
| 328-532 | 5" | No | 32' | 115 | 37.25"(W) 29.5"(H) 24"(L) | 30.19"(M) 10"(N) | 32.25"(X) 14"(Y) | Request CAD File | |
| 328-632 | 6" | No | 32' | 117 | 37.25"(W) 29.5"(H) 24"(L) | 30.19"(M) 10"(N) | 32.25"(X) 14"(Y) | Request CAD File | |
| 332-536 | 5" | No | 36' | 121 | 41.25"(W) 29.5"(H) 24"(L) | 34.19"(M) 10"(N) | 36.25"(X) 14"(Y) | Request CAD File | |
| 332-636 | 6" | No | 36' | 123 | 41.25"(W) 29.5"(H) 24"(L) | 34.19"(M) 10"(N) | 36.25"(X) 14"(Y) | Request CAD File |
Proposition 65 Warning: Cancer and Reproductive Harm www.P65Warnings.ca.gov (California Residents Click Here)
Contact Us
Have questions? We are here for you. Please feel free to get in touch with us using the tabs and forms below to contact us and request more information about COXREELS® products and services. We will handle your inquiries and will get back to you as soon as we can.Contact Us
Find Distributors
Distributor information will be provided through your preferred method of contact. Click here to submit a request that will be routed to the appropriate distributor.Find a Distributor













Tempe, AZ 85283
Phone: 800-269-7335
Fax: 800-229-7335